
ZQD減速機是由ZQ型減速機誕生而來的;在ZQ型二級傳動的基礎上,增加一級變成三級減速機,擴大了減速機的傳動比,其工作條件、裝配型式與ZQ型減速機基本相同。ZQD減速機增加的高速級在下方、平底結構,有ZQD400、ZQD500、ZQD650、ZQD850和ZQD1000五個規格。ZQD減速機標記示例:ZQD減速機,名義中心距(即原ZQ型中心距)A=1000mm,公稱傳動比i=200,第3種裝配型式

JZQ減速機以其強悍耐用的性能、廣泛的應用領域、適應不同工作條件、具備出色的安全性和高效節能的表現,成為了工業界備受關注的一款減速器。對于生產廠家和用戶來說,選擇JZQ減速機將會是一個明智而正確的選擇。

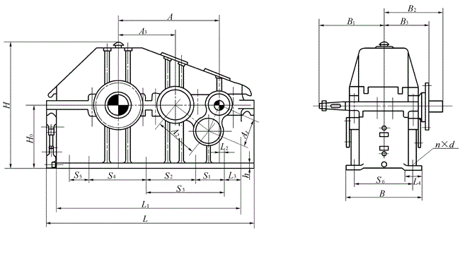
JZQ減速機應用范圍及結構概況1、應用范圍及優點: JZQ減速機廣泛應用于各種起重、運輸、礦山機械及其它各種機械中作減速之用。其聯動方式,可用聯軸器直接聯動,也可用三角皮帶撓性聯動。本機通用性和互換性強,維修簡單,效率系數為0.94,具有起動阻力小,運動靈活等優點。2、結構概況及主要零部件: JZQ減速機結構型式為兩級三軸圓柱斜齒水平分割全封式。潤滑油盛于減速機之內部,在主動軸和中間軸上設有擋

PM減速機是漸開線圓柱齒輪減速器。適用于建材、起重、運輸、冶金、化工和輕工等行業。高速軸轉速不超過1500r/min,齒輪圓周速度不大于12m/s,效率不低于0.94,工作環境為-40℃—+40℃,可正反轉運行。

ZSC減速機 是一種高效而可靠的傳動機構,采用齒輪傳動原理,是一種機械減速裝置,能夠降低電動機的轉速并提供巨大的扭矩輸出,配合電動機可以達到不同的功率。而且 ZSC減速機 形狀小巧、噪音小、壽命長、易維護。 還具有結構簡單、動力平穩、傳動比范圍寬、傳動效率高等特點。

ZSC減速機(立式軸裝)是三級傳動的漸開線圓柱齒輪減速器,主要用于礦山,冶金,水泥,建筑,化工,輕工,等各種機械設備的減速傳動,適合受結構限制采用立式安裝的工作場合,高速軸轉速不超過1500r/min,工作環境為-40℃—+40℃,可正反轉運行。

ZSC(A)減速機采用先進的技術和制造工藝,以精準的質量管理和完善的售后服務著稱。該減速機具有結構緊湊、重量輕、使用壽命長等優點,適用于各種工業生產領域。

ZSC(A)減速機為立式套裝式漸開線圓柱齒輪減速機,主要用于礦山,冶金,水泥,建筑,化工,輕工,等各種機械設備的減速傳動,適合受結構限制采用立式安裝的工作場合,高速軸轉速不超過1500r/min,工作環境為-40℃—+40℃,可正反轉運行。

PM減速機是由主軸、輸出軸、減速機箱、磁粉離合器、磁粉制動器和磁粉離合器傳動部分組成的減速機。通過電磁力的作用,控制磁粉離合器的密合程度,從而控制輸出軸的轉速和轉矩。其優勢在于體積小、重量輕、精度高、噪音低、扭矩大、傳動效率高等特點。

QY起重機減速機是一種重要的機械傳動裝置,是起重機等機械設備的核心部件。它具有很多優點,包括傳動比大、扭矩輸出平穩、功率傳遞效率高、結構緊湊、運行平穩、散熱效果好、維護保養方便等,被廣泛應用于各種起重場所、礦山、機械設備等行業中。在使用時,需注意使用方法及維護保養,以確保其長期的運行效率。

QY系列起重機減速機性能特點 考慮起重機各機械的工作特點,傳動比范圍,進一步提高產品性能,采用較少規格滿足用戶多方面的要求,其特點為: 1 承載能力高、齒輪采用滲碳、淬火、磨齒加工、承載能力比調質滾齒的軟齒面和中硬齒面齒輪減速器有大幅度提高。 2 體積小、重量輕、與軟齒面和中硬齒面減速器相比,相同承載能力減速器可降低2~4個相當機座號。 3 效率高、噪聲低、振動小。采用磨齒加工提高了精度等

QJ起重機減速機是一種高效率、高精度、高安全性、高可靠性的工業減速設備,廣泛應用于起重、輸送、礦山、石油、化工、食品、煙草、冶金、醫藥、醫療等諸多行業中,在大型起重、運輸及向各種機械設備動力傳動裝置中都得到了廣泛的應用。

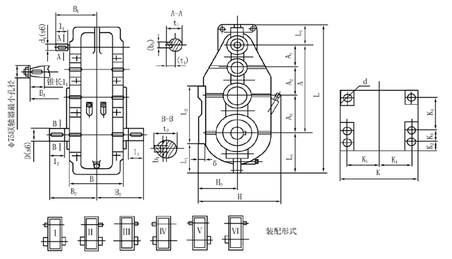
QJ系列起重機減速機特點 起重機減速機因為是間歇式、周期重復工作。減速機發熱相對連續型工作的要好些,但是經常起制動慣性載荷較大。因此輪齒的彎曲強度的安全系數較高,特別是用于起升和變幅機構。直接影響人身和設備安全更應如此。另外起升機構的減速機輸出端多數要求帶齒盤接手或卷筒聯軸器直接與卷筒相聯,它不僅傳遞轉矩,還要承受較大的徑向載荷(相當于卷筒的一端支座)。 運行機構的“三合一”懸掛套裝式減速機,

QJY起重機減速機的出現,為重載物品的運輸解決了許多難題。它采用的國際成熟的制造工藝和制造技術,使得其在同行業中處于先進水平。QJY起重機減速機具有動力強、穩定可靠等優點,并且不同類型和規格的起重機都有著相應的適配型號,可以滿足不同行業和用戶的需求。此外,它的操作簡單,易維護,細節設計更加人性化,可以方便高效地完成工作。

QJY系列起重機減速機齒輪采用低碳合金鋼,齒面滲碳淬硬,磨削成形,具有承載能力大(較QJR、QJS減速器提高1.8~2.4倍)、傳動效率高、使用可靠、壽命長等優點。適用于起重機的各有關機構,也可用于運輸、冶金、礦山、化工、輕工等各種機械設備的傳動機構中。

QJ-T起重機減速機優點眾多,首先它的速度調節范圍廣泛,可以根據不同的負載需求自由調節輸出功率。其次,減速機操作簡單,使用起來非常方便。同時,它的能效比較高,可靠性也很高,能夠長期穩定運行,減少維修率。重要的是,QJ-T起重機減速機能夠降低整機噪音,提高起重工作環境舒適度。

QJ-T起重機減速機主要用于起重機的起升、運行、回轉和變幅四大機構中。起重機減速機因為是間歇式、周期重復工作。減速器發熱相對連續型工作的要好些,但是經常起制動慣性載荷較大。因此輪齒的彎曲強度的安全系數較高,特別是用于起升和變幅機構。

以其高扭矩,低噪聲和長使用壽命,QJ-L起重機減速機一直是起重設備的標準配備。該減速機適用于起重機、鐵路機車、港口機械、礦山機械和碼頭機械等領域,其市場前景非常廣闊,未來的發展方向依然向著更高水平的產品性能和功能發展。

QJ-L起重機減速機是一種專業的工程機械零部件,主要用于重型起重機和橋式起重機的起升和移動過程中,起到減速和增加扭矩的作用。該減速機手工裝配,采用先進的熱處理工藝和精密加工技術,具有高扭矩、低噪聲和長使用壽命等特點。

YK減速機是一種專業用于工業機械減速的設備,其出現極大地滿足了很多工業生產的需要,尤其是在機械傳動的領域上擁有著舉足輕重的地位,成為現代工業生產中必不可少的減速設備。
掃一掃咨詢微信客服